JENIS - JENIS GAMBAR KERJA
Jenis Jenis Gambar Kerja - Gambar kerja atau disebut juga dengan gambar produksi adalah gambar yang memberikan informasi dan instruksi untuk pembuatan atau konstruksi mesin atau struktur. Gambar kerja harus menyajikan semua dimensi dengan jelas, batas, proses finishing khusus, kualitas permukaan dan informasi - informasi lainnya mengenai produk yang akan dibuat. Selain itu gambar kerja juga harus menyajikan rincian material, jumlah komponen untuk perakitan dan lain - lain yang dicantumkan di dalam blok judul (etiket). Gambar kerja dari sebuah komponen juga harus menunjukan sub-assembling atau asembling utamanya dimana komponen tersebut akan dirakit. Karena gambar kerja bisa saja dikirim ke perusahaan lain untuk pembuatan atau perakitannya, gambar harus dibuat sesuai dengan standar Internasional. Gambar kerja dapat menjadi dokumen hukum antar pihak yang terlibar pada proses pembuatan komponennya jika terjadi perselisihan di bidang manufaktur.
Secara garis besar, jenis - jenis gambar kerja diklasifikasikan menjadi dua yaitu gambar detail atau gambar bagian dan gambar assembling.
Gambar Detail atau Gambar Bagian
Gambar detail atau gambar bagian adalah gambar produksi atau gambar komponen yang memberikan informasi secara lengkap untuk konstruksi atau pembuatan bagian tersebut. Informasi ini dapat diklasifikasikan sebagai:
1. Deskripsi bentuk
Deskripsi bentuk ini mengacu pada pemilihan jumlah pandangan untuk menggambarkan bentuk part. Part tersebut dapat digambar dengan proyeksi piktorial maupun dengan proyeksi ortogonal. Dari kedua proyeksi tersbut, proyeksi ortogonal adalah yang paling banyak digunakan. Gambar potongan, gambar tambahan dan gambar detail yang diperbesar dapat ditambahkan untuk memberikan gambaran bentuk yang lebih jelas.
2. Deskripsi ukuran
Ukuran benda dan lokasi bagian benda ditunjukan dengan dimensi yang tepat. Proses manufaktur akan mempengaruhi pemilihan beberapa dimensi seperti datum, toleransi dan lain - lain.
3. Spesifikasi
Spesifikasi ini termasuk catatan khusus, material yang digunakan, perlakuan panas, finishing, toleransi umum dan jumlah yang diperlukan. Semua informasi ini sebagian besar diletakan di dekat etiket.
4. Informasi tambahan
Informasi seperti nomor gambar, skala, jenis proyeksi yang digunakan, tanggal, nama bagian, nama pembuat dan lain - lain dicatumkan sebagai informasi tambahan pada etiket.
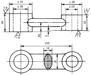
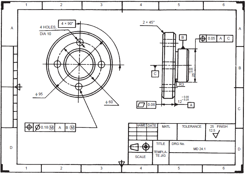
Karena operator produksi biasanya membuat gambar satu komponen pada satu waktu, disarankan untuk mempersiapkan gambar produksi setiap komponen berapapun ukurannya pada kertas terpisah. Dua gambar di bawah ini menunjukan gambar detail dari template jig dan gear.
Gambar Kerja AssemblingGambar kerja assembling biasanya dibuat untuk mesin atau pekerjaan sederhana yang terdiri dari bagian - bagian yang sederhana dalam jumlah yang relatif sedkit. Semua dimensi dan informasi yang diperlukan untuk pembuatan part dan untuk assembling part diberikan langsung pada gambar assembling. Pandangan terpisah dari bagian - bagian tertentu yang diperbesar menunjukan pasangan bagian - bagian tertentu juga dapat digambar di samping gambar assembling. Gambar di bawah ini adalah contoh gambar kerja asembling.
Gambar Detail dan Metode PembuatanJenis proses manufaktur mempengaruhi pemilihan material dan bagian detail dari suatu part seperti yang ditunjukan pada gambar di bawah ini.
Seperti yang ditunjukan pada gambar di atas, jika komponen harus dicor maka bulatan fillet harus ditambahkan ke bagian tersebut. Bahan tambahan juga harus disediakan untuk bagian permukaan yang membutuhkan proses finishing.
Beberapa gambar dapat dibuat untuk part yang sama, masing - masing gambar hanya mencantumkan informasi yang diperlukan untuk tahap tertentu untuk pembuatan part tersebut. Misalnya sebuah komponen yang akan diproses dengan penempaan dapat dibuatkan satu gambar yang menunjukan bagian yang ditempa tanpa detail pemesinan dan gambar terpisah untuk proses tempa.







Terimakasih materinya sangat mudah dimengerti
ReplyDelete